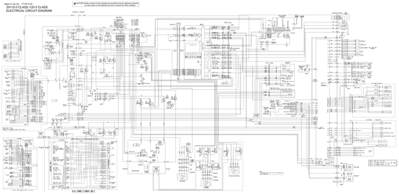
Hitachi circuit diagram ZX110-3Class ZX120-3 ZX135-3
Do you want to become a reseller/affiliate and get 10.0% provision?
| Embed: |
|
Hitachi circuit diagram ZX110-3Class ZX120-3 ZX135-3
hitachi zx110-3class zx120-3 zx135-3
278079245
49.00
aaplant
Fresh Download
Available!
hitachi zx110-3class zx120-3 zx135-3
278079245
49.00
aaplant
Fresh Download
Available!
